
歡迎來(lái)電咨詢,手機(jī)號(hào)微信同步

FJL-L10H 流量:40L/min 壓力:31.5MPa
FJL-L15H 流量:63L/min 壓力:31.5MPa
FJL-L20H 流量:100L/min 壓力:31.5MPa
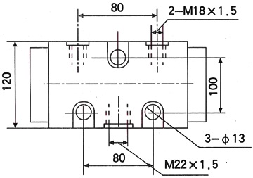
分流集流閥FJL-L10H 15H 螺紋連接


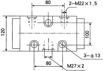
分流集流閥FJL-L20H 螺紋連接



FJL-L10H 流量:40L/min 壓力:31.5MPa
FJL-L15H 流量:63L/min 壓力:31.5MPa
FJL-L20H 流量:100L/min 壓力:31.5MPa
分流集流閥FJL-L10H 15H 螺紋連接


分流集流閥FJL-L20H 螺紋連接


